Furnace Thermostat Wiring Diagram
Understanding furnace thermostat wiring can seem daunting, but it’s essential for maintaining your heating system. A … Furnace Thermostat Wiring DiagramRead more
4 Way Light Switch Wiring Diagram
Understanding electrical wiring can seem daunting, but with the right guidance, it becomes manageable. One common … 4 Way Light Switch Wiring DiagramRead more
Leviton Single Pole Switch Wiring Diagram
Understanding electrical wiring can seem daunting, but with the right resources, it becomes manageable. One essential … Leviton Single Pole Switch Wiring DiagramRead more
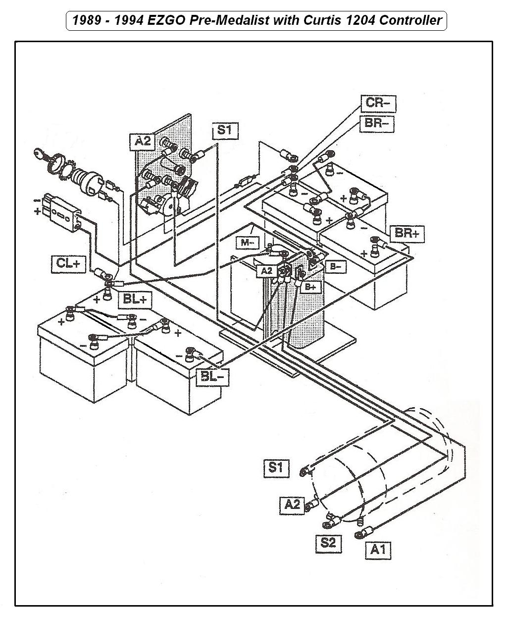
Wiring Diagram Ezgo Golf Cart
Understanding your Ezgo golf cart’s wiring can seem daunting, but it doesn’t have to be. A … Wiring Diagram Ezgo Golf CartRead more
Gm 4 Pin Alternator Wiring Diagram
Understanding your vehicle’s electrical system can seem daunting, but it’s essential for maintaining optimal performance. One … Gm 4 Pin Alternator Wiring DiagramRead more
4 Wire Trailer Wiring Diagrams
Understanding trailer wiring can seem daunting, but it’s essential for safe towing. A clear grasp of … 4 Wire Trailer Wiring DiagramsRead more
Wiring Diagram Lutron 3 Way Dimmer
Understanding how to set up your lighting can transform your home environment. One essential tool for … Wiring Diagram Lutron 3 Way DimmerRead more
3 Prong Headlight Wiring Diagram
Understanding your vehicle’s electrical system can seem daunting, but it’s essential for maintenance and repairs. One … 3 Prong Headlight Wiring DiagramRead more
Gmc Yukon Wiring Diagram
The Gmc Yukon is a popular choice for families and adventurers alike, known for its spacious … Gmc Yukon Wiring DiagramRead more