Understanding electrical wiring can seem daunting, but with the right resources, it becomes manageable. A clear wiring diagram is essential for anyone looking to convert or adapt their electrical systems effectively.
One common conversion involves changing a 220-volt system to a 110-volt system. This process requires careful planning and a solid understanding of wiring diagrams to ensure safety and functionality.
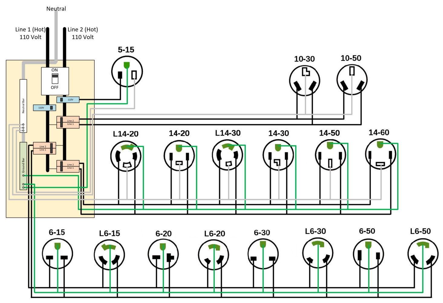
220 To 110 Wiring Diagram
220 To 110 Wiring Diagram
A 220 to 110 wiring diagram illustrates how to safely rewire your electrical system. It shows the connections needed to convert the voltage while maintaining safety standards. Following this diagram helps prevent potential hazards.
When working with electrical systems, always prioritize safety. Ensure that the power is turned off before starting any work. Using a multimeter can help verify that no voltage is present, providing peace of mind during the process.
Additionally, using the correct gauge wire is crucial for a successful conversion. Thicker wires can handle more current, reducing the risk of overheating and potential fire hazards. Always consult local codes for compliance.
In conclusion, a 220 to 110 wiring diagram is an invaluable tool for anyone looking to make electrical adjustments. With careful planning and adherence to safety protocols, you can achieve a successful conversion without complications.
