Understanding electrical systems can be daunting, especially when it comes to wiring diagrams. A clear diagram can simplify the process and ensure safety while working on electrical projects. Knowing how to read these diagrams is essential for any DIY enthusiast.
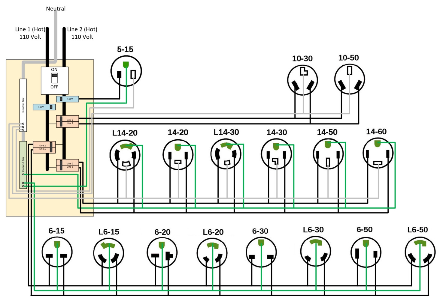
One common type of wiring diagram is for a 220v outlet. This outlet is often used for heavy-duty appliances like dryers and ovens. Familiarizing yourself with the 220v outlet wiring diagram can help you tackle your home improvement tasks with confidence.
220v Outlet Wiring Diagram
220v Outlet Wiring Diagram
The 220v outlet wiring diagram typically includes two hot wires, a neutral wire, and a ground wire. Each wire plays a crucial role in ensuring that your appliances operate safely and efficiently. Understanding these components is vital for proper installation.
When wiring a 220v outlet, it’s important to follow local electrical codes. These codes ensure safety and compliance with regulations. Always double-check your work and consult a professional if you’re unsure about any steps in the process.
Using color-coded wires can make the installation process easier. Typically, black and red wires are used for hot connections, while white is for neutral, and green or bare is for ground. This color-coding helps prevent mistakes during installation.
In conclusion, mastering the 220v outlet wiring diagram can empower you to take on various electrical projects confidently. With the right knowledge and precautions, you can ensure your home remains safe and functional while enjoying the satisfaction of DIY work.
