Understanding your home’s heating and cooling system can be a game-changer for comfort and energy efficiency. One essential tool in this process is the Ecobee Smart Thermostat, which offers advanced features to optimize your environment.
Getting familiar with the Ecobee Smart Thermostat wiring diagram is crucial for installation and troubleshooting. This guide will help you navigate the connections, ensuring your thermostat works seamlessly with your HVAC system.
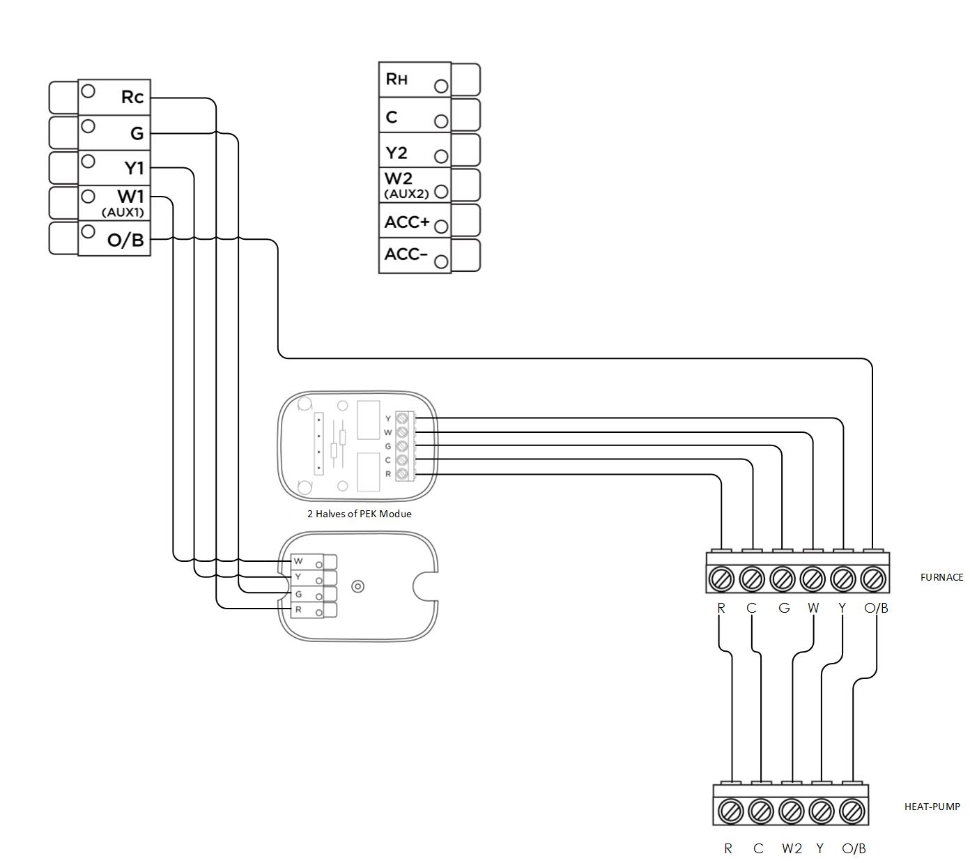
Ecobee Smart Thermostat Wiring Diagram
Ecobee Smart Thermostat Wiring Diagram
The wiring diagram for the Ecobee Smart Thermostat typically includes several key terminals. These terminals connect to various components of your heating and cooling systems, such as the furnace, air conditioner, and fan.
Common wires include R for power, C for common, W for heating, and Y for cooling. Understanding these connections will help you install the thermostat correctly and avoid potential issues down the line.
Before starting the installation, ensure you turn off power to your HVAC system. This step is crucial for safety and prevents any electrical mishaps while working with the wiring.
If you’re unsure about any part of the wiring process, consulting a professional can save you time and trouble. A qualified technician can ensure everything is set up correctly and efficiently.
With the right knowledge and tools, installing your Ecobee Smart Thermostat can be a straightforward task. Enjoy enhanced comfort and energy savings in your home with this smart device!
