Gas fireplaces are a popular choice for homeowners seeking warmth and ambiance. Understanding the wiring behind these units is essential for safe and efficient operation. A clear gas fireplace wiring diagram can simplify this process significantly.
Proper installation and maintenance of a gas fireplace not only enhance its performance but also ensure safety. Familiarizing yourself with the wiring diagram can help you troubleshoot issues and make informed decisions about repairs or upgrades.
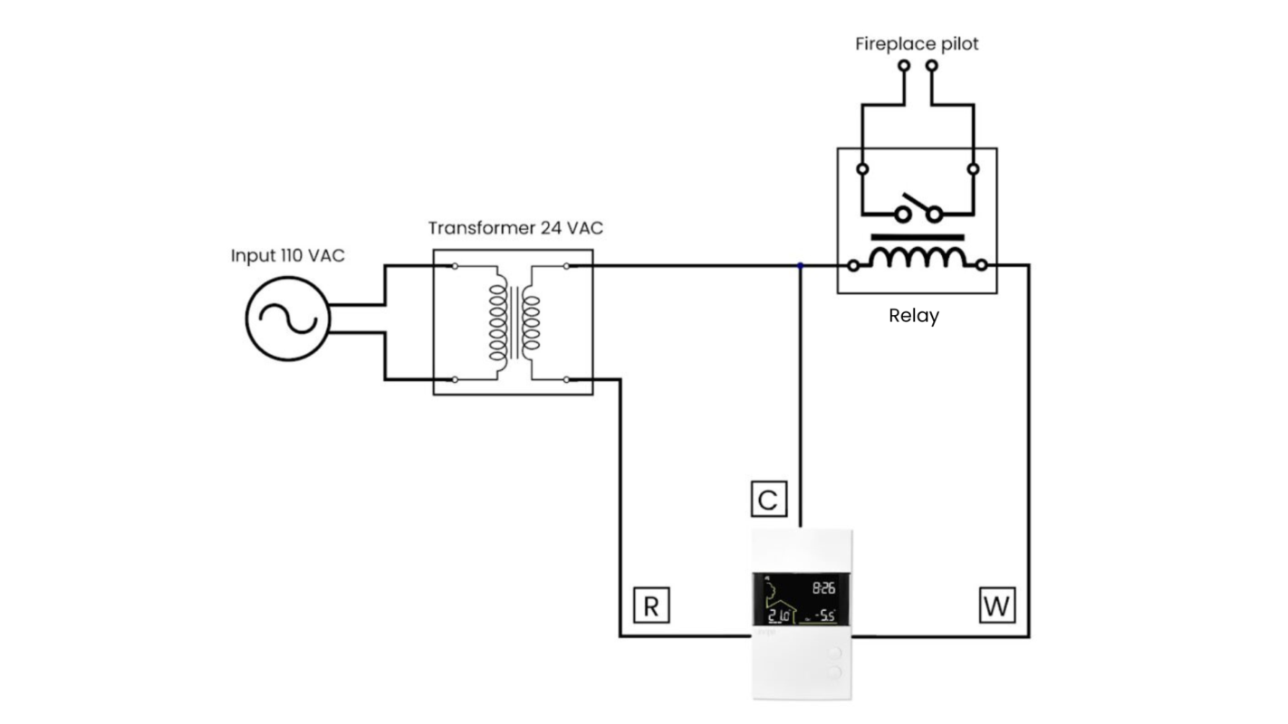
Gas Fireplace Wiring Diagram
Gas Fireplace Wiring Diagram
A gas fireplace wiring diagram illustrates how the electrical components connect to the gas system. It typically includes details about the ignition system, thermostat connections, and safety features. Knowing these elements is crucial for effective troubleshooting.
When examining a gas fireplace wiring diagram, pay attention to color codes and connection points. Each wire serves a specific purpose, such as powering the ignition or controlling the blower. Understanding these functions can prevent costly mistakes during installation.
Additionally, always prioritize safety when working with gas appliances. If you’re unsure about any aspect of the wiring, consulting a professional is wise. They can provide expert guidance and ensure everything is up to code.
In conclusion, a gas fireplace wiring diagram is an invaluable tool for anyone looking to maintain or install a gas fireplace. By understanding its components, you can enjoy your fireplace safely and efficiently for years to come.
